• Facebook
  • Instagram
  • Pinterest
  • Linkedin
  • Produits
  • Projets
  • Technique
  • Actu/Médias
  • Docs/Échantillons
  • Contacts
  • Tous
  • Fixations
  • Finitions
  • Facteur solaire
  • Notice à l’installation
  • Entretien

Système de fixation TF60 : simplicité, robustesse et design discret. Le système de fixation TF60 est composé d’une tige métallique insérée dans les rangs de spires supérieurs et inférieurs du (…)

Fixation TF60

Système de fixation composé de plats métalliques venant pincer la maille métallique et de chapes en U positionnés à équidistance, aux extrémités hautes et en basses du panneau et fixées au support (…)

Fixations TF70

Système de fixation composé d’un plat métallique inséré dans le rang de spire inférieur du panneau de maille métallique, chapes en U fixées par des écrous. Le positionnement des éléments de (…)

Fixation TFi30

La résille est directement tissée, assemblée, à la platine métallique, au niveau des derniers rangs de spires hauts. Tous ces éléments sont en acier inox 316. Le positionnement des (…)

Fixation TF20

La platine métallique est insérée dans le rang de spires supérieur. Tous ces éléments sont en acier inox 316. Le positionnement des éléments de fixation est déterminé et calculé, selon le (…)

Fixation TF30

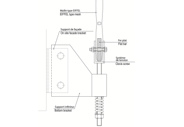
Système de fixation composé d’un plat métallique inséré dans le rang de spires inférieures, chape en U et ressorts tenseurs. Le positionnement des éléments de fixation est déterminé et (…)

Fixation TFi20

Système de fixation composé d’un rond métallique inséré à l’extrémité basse du panneau de maille métallique câblée, support métallique et ressorts tenseurs disposés à équidistance. Le (…)

Fixation TFi10

Fixation du treillis métallique sur le support nid d’abeille à l’aide d’un adhésif bi composant extra-fort. Nous proposons un cadre métallique autour de chaque panneau, de la même couleur que la (…)

Fixation TF75

Plats métalliques directement soudés sur le panneau de la maille métallique et habillé d’un profil en U, finition électro-polie. Fourches et écrous de fixation positionnés à équidistance. Le (…)

Fixation TF35

Système de fixation TF-40 : une solution esthétique et fonctionnelle pour les rideaux en maille métallique spiralée. Le TF-40 est un système de fixation innovant conçu pour offrir un effet (…)

Fixation TF40

La résille est directement tissée, assemblée, à la platine métallique, au niveau des derniers rangs de spires hauts et/ou bas. Les éléments de tension sont soudés à la platine métallique. Tous (…)

Fixation TFs30

Rond métallique inséré dans le tissage de la maille métallique câblée, sur la partie haute du panneau. Support supérieur métallique en acier inoxydable fourni. Le positionnement des éléments (…)

Fixation TFs10

MAILLE METAL DESIGN
19, rue Edgar Quinet
92190 Montrouge
tél : +33 (0)1 41 15 91 41

CGV - Mentions légales - Politique de confidentialité